包小妹全国统一服务热线

伊本氣動無限公司

地點:浙江省樂清市柳市鎮黃七甲產業區
德律風:0577-62777889
傳真:0577-62777880
網址:深圳蒲友论坛网:www_syou_com_cn.rftxmi.cn
郵箱:ibn@ybyypc.com
         sale1@ybyypc.com  

 
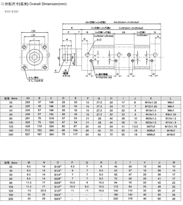
以后地位首頁產物中間履行元件系列規范氣缸

SCT系列規范氣缸